


手机浏览
更方便
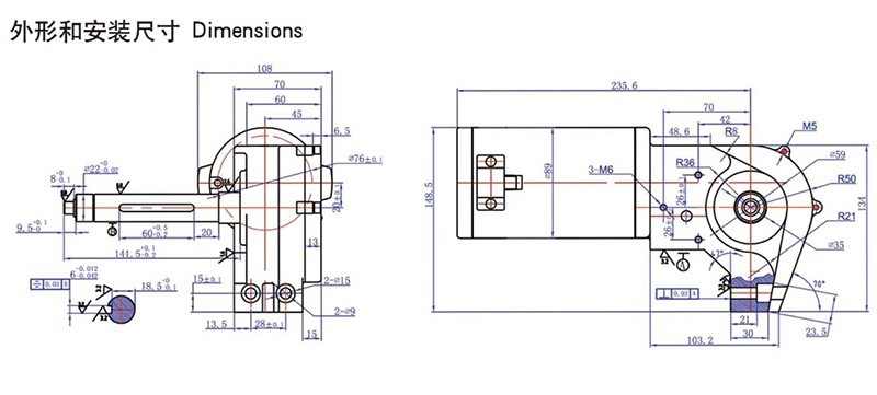
90ZYJ13直流永磁减速电动机由直流永磁电动机和蜗轮蜗杆减速器组成。其特点是结构美观大方、扭矩大、功率大、运转平稳、噪音低、可正反转,适用于驱动装置中作驱动元件和控制系统中作执行元件。如旅居房车、升降装置等。
电动机的技术参数 Motor Technical Data
|
电机型号 Type |
电压 V |
转矩 N.m |
电流 A |
转速 r/min |
功率 W |
长度 cm |
|
90ZY-155 |
12/24 |
0.88 |
34/17 |
3200 |
300 |
155 |
减速器的技术参数 Gearbox Technical Data
|
减速比 Ratio |
减速器尺寸 长*宽*高 |
空载转速 r/min |
负载转速 r/min |
额定转矩 N.m |
允许负载上限 N.m |
|
134:1 |
119*165*221 |
41 |
36 |
36 |
90 |
